Pennock's Fiero Forum
  Technical Discussion & Questions - Archive
  Drive By Wire (Page 1)

T H I S   I S   A N   A R C H I V E D   T O P I C
  

Email This Page to Someone! | Printable Version

This topic is 2 pages long:  1   2 
Previous Page | Next Page
Drive By Wire by AJxtcman
Started on: 03-05-2007 06:53 AM
Replies: 46
Last post by: jscott1 on 04-06-2007 11:07 AM
AJxtcman
Member
Posts: 1098
From: Rock Hill SC
Registered: Nov 2006


Feedback score: N/A
Leave feedback

Rate this member

Report this Post03-05-2007 06:53 AM Click Here to See the Profile for AJxtcmanSend a Private Message to AJxtcmanDirect Link to This Post
I will post some information on Brive By Wire systems and Throttle Actuator Control systems.

------------------
Cadillac Tech
ASE MASTER TECH since 1988

86 Northstar Fiero
85 RX7 former SCCA car
56 TR3 small mouth 6.0L
A.J. Whiteley

IP: Logged
PFF
System Bot
AJxtcman
Member
Posts: 1098
From: Rock Hill SC
Registered: Nov 2006


Feedback score: N/A
Leave feedback

Rate this member

Report this Post03-05-2007 07:03 AM Click Here to See the Profile for AJxtcmanSend a Private Message to AJxtcmanDirect Link to This Post
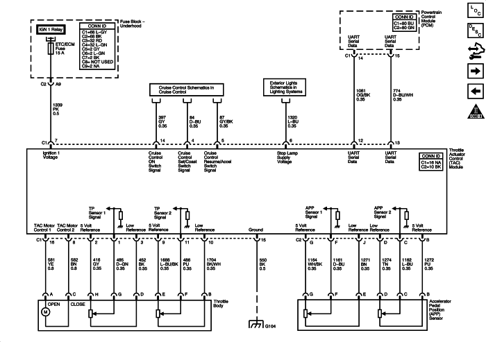
The first will be an 02 Escalade
This is an old system I think 02 was the last year.


(1) Throttle Actuator Control (TAC) Module
(2) Throttle Body Assembly
(3) Accelerator Pedal Position (APP) Sensor

The throttle actuator control (TAC) system uses vehicle electronics and components to calculate and control the position of the throttle blade. This eliminates the need for a mechanical cable attachment from the accelerator pedal to the throttle body. This system also performs the cruise control functions .

The TAC system include, but are not limited to, the following components :

The accelerator pedal position (APP) sensor
The throttle body
The throttle actuator control (TAC) module
The powertrain control module (PCM)
These components interface to ensure accurate calculations and control of the throttle position (TP).

Accelerator Pedal Position (APP) Sensor



The APP sensor is mounted on the accelerator pedal assembly. The APP is actually 3 individual accelerator pedal position sensors within one housing. Three separate signal, low reference, and 5-volt reference circuits are used to connect the APP and the TAC module. The APP sensor 1 voltage should increase as the accelerator pedal is depressed, from below 1.0 volt at 0 pedal travel to above 2.0 volts at 100 percent pedal travel. APP sensor 2 voltage should decrease from above 4.0 volts at 0 pedal travel to below 2.9 volts at 100 percent pedal travel. APP sensor 3 voltage should decrease from above 3.8 volts at 0 percent pedal travel to below 3.1 volts at 100 percent pedal travel.

Throttle Body Assembly



The throttle body for the TAC system is similar to a conventional throttle body with a couple of exceptions. One exception being the use of a motor to control the TP instead of a mechanical cable. The other exception is the new design TP sensor. The TP sensor mounts on the side of the throttle body opposite the throttle actuator motor. The TP sensor is actually 2 individual TP sensors within one housing. Separate signal, low reference, and 5-volt reference circuits are used to connect the TP sensors and the TAC module. The TP sensor 1 signal voltage increases as the throttle opens, from around 1.0 volt at 0 throttle to above 3.5 volts at 100 percent throttle. TP sensor 2 signal voltage decreases as the throttle is opened, from around 3.8 volts at 0 throttle to below 1.0 volt at 100 percent throttle.

Throttle Actuator Control (TAC) Module



The TAC module is the control center for the electronic throttle system. The TAC module and the powertrain control module (PCM) communicate via a dedicated redundant serial data circuit. The TAC module and the PCM monitor the commanded throttle position and compare the commanded position to the actual throttle position. This is accomplished by monitoring the APP and the TP sensor. These 2 values must be within a calibrated value of each other. The TAC module also monitors each individual circuit of the TP sensor and the APP to verify proper operation.

IP: Logged
AJxtcman
Member
Posts: 1098
From: Rock Hill SC
Registered: Nov 2006


Feedback score: N/A
Leave feedback

Rate this member

Report this Post03-05-2007 07:09 AM Click Here to See the Profile for AJxtcmanSend a Private Message to AJxtcmanDirect Link to This Post

AJxtcman

1098 posts
Member since Nov 2006
05 Escalade
Different T-Body



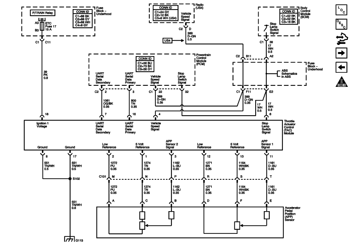
Throttle Actuator Control (TAC) System Description
The throttle actuator control (TAC) system delivers improved throttle response and greater reliability and eliminates the need for mechanical cable. The TAC system performs the following functions:

• Accelerator pedal position (APP) sensing

• Throttle positioning to meet driver and engine demands

• Throttle position sensing

• Internal diagnostics

• Cruise control functions

• Manage TAC electrical power consumption

The TAC system components include the following:

• The APP sensors

• The throttle body assembly

• The TAC module

• The powertrain control module (PCM)

Accelerator Pedal Position (APP) Sensor
The accelerator pedal assembly contains 2 individual accelerator pedal position (APP) sensors within the assembly. The APP sensors 1 and 2 are potentiometer type sensors, each with the following circuits:

• A 5-volt reference circuit

• A low reference circuit

• A signal circuit

The APP sensors are used to determine the pedal angle. The control module provides each APP sensor a 5-volt reference circuit and a low reference circuit. The APP sensors then provide the control module with signal voltage proportional to pedal movement. Both APP sensor signal voltages are low at rest position and increase as the pedal is applied.

Throttle Body Assembly
The throttle body assembly consists of the throttle body, the throttle position (TP) sensors, and the throttle actuator motor. The throttle body functions similar to a conventional throttle body with the following exceptions:

• An electric motor opens and closes the throttle valve.

• The throttle blade is spring loaded in both directions and the default position is slightly open.

• There are 2 individual TP sensors within the throttle body assembly.

The TP sensors 1 and 2 are potentiometer type sensors, each with the following circuits:

• A 5-volt reference circuit

• A low reference circuit

• A signal circuit

The TP sensors are used to determine the throttle plate angle. The control module provides each TP sensor a 5-volt reference circuit and a low reference circuit. The TP sensors then provide the control module with signal voltage proportional to throttle plate movement. Both TP sensor signal voltages are low at closed throttle and increase as the throttle opens.

Throttle Actuator Control Module
The throttle actuator control (TAC) module is the control center for the throttle actuator control system. The TAC system is self-diagnosing and provides diagnostic information to the powertrain control module (PCM) through a dedicated serial data line. The TAC achieves throttle positioning by providing a pulse width modulated voltage to the TAC, as directed by the PCM.

Powertrain Control Module
The powertrain control module (PCM) determines the driver's intent, then calculates the appropriate throttle response. This information is sent to the throttle actuator control (TAC) module through a dedicated serial data line.

Modes of Operation

Normal Mode
During the operation of the throttle actuator control (TAC) system, several modes or functions are considered normal. The following modes may be entered during normal operation:

• Minimum pedal value--At key-up the powertrain control module (PCM) updates the learned minimum pedal value.

• Minimum throttle position (TP) values--At key-up the PCM updates the learned minimum TP value. In order to learn the minimum TP value, the throttle blade is moved to the closed position.

• Ice break mode--If the throttle is not able to reach a predetermined minimum throttle position, the ice break mode is entered. During the ice break mode, the control module commands the maximum pulse width several times to the throttle actuator motor in the closing direction.

• Battery saver mode--After a predetermined time without engine RPM, the control module commands the battery saver mode. During the battery saver mode, the TAC module removes the voltage from the motor control circuits, which removes the current draw used to maintain the idle position and allows the throttle to return to the spring loaded default position.


Reduced Engine Power Mode
When the PCM detects a condition with the TAC system, the PCM may enter a reduced engine power mode. Reduced engine power may cause one or more of the following conditions:

• Acceleration limiting--The control module will continue to use the accelerator pedal for throttle control; however, the vehicle acceleration is limited.

• Limited throttle mode--The control module will continue to use the accelerator pedal for throttle control; however, the maximum throttle opening is limited.

• Throttle default mode--The control module will turn off the throttle actuator motor and the throttle will return to the spring loaded default position.

• Forced idle mode--The control module will perform the following actions:

- Limit engine speed to idle by positioning throttle position, or by controlling fuel and spark if throttle is turned off.

- Ignore accelerator pedal input.

• Engine shutdown mode--The control module will disable fuel and de-energize the throttle actuator.

IP: Logged
AJxtcman
Member
Posts: 1098
From: Rock Hill SC
Registered: Nov 2006


Feedback score: N/A
Leave feedback

Rate this member

Report this Post03-05-2007 07:11 AM Click Here to See the Profile for AJxtcmanSend a Private Message to AJxtcmanDirect Link to This Post

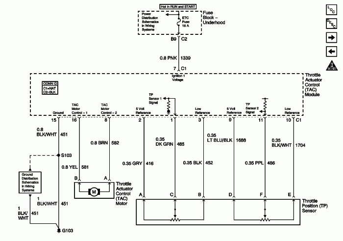
AJxtcman

1098 posts
Member since Nov 2006
06 DTS
No TAC module
Throttle Actuator Control (TAC) System Description
TAC System
The throttle actuator control (TAC) system delivers improved throttle response and greater reliability and eliminates the need for a mechanical cable. The TAC system performs the following functions:

• Accelerator pedal position sensing

• Throttle positioning to meet driver and engine demands

• Throttle position sensing

• Internal diagnostics

• Cruise control functions

• Manage TAC electrical power consumption

The TAC system includes the following components:

• The accelerator pedal position (APP) sensors

• The throttle body assembly

• The engine control module (ECM)

Accelerator Pedal Position (APP) Sensor
The accelerator pedal contains 2 individual sensors within the assembly. The accelerator pedal position (APP) sensors 1 and 2 are potentiometer type sensors, each with the following 3 circuits:

• A 5-volt reference circuit

• A low reference circuit

• A signal circuit

The APP sensors are used to determine the pedal angle. The engine controls module (ECM) provides each APP sensor with a 5-volt reference circuit and a low reference circuit. The APP sensors provide the ECM with signal voltage proportional to the pedal movement. The APP sensor 1 signal voltage at rest position is near low reference and increases as the pedal is actuated. The APP sensor 2 signal voltage at rest position is near low reference and increases as the pedal is actuated.

Throttle Body Assembly
The throttle body assembly contains the following components:

• The throttle blade

• The throttle actuator motor

• The throttle position (TP) sensor 1 and 2

The throttle body functions are similar to a conventional throttle body with the following exceptions:

• An electric motor opens and closes the throttle valve.

• The throttle blade is spring loaded in both directions and the default position is slightly open.

• There are 2 individual TP sensors within the throttle body assembly.

TP sensors are sensors 1 and 2 are potentiometer type sensors, they are used to determine the throttle plate angle. The TP sensors provide the engine control module (ECM) with a signal voltage proportional to throttle plate movement. The TP sensor 1 signal voltage at closed throttle is near the 5-volt reference voltage and decreases as the throttle plate is opened. The TP sensor 2 signal voltage at closed throttle is near the low reference voltage and increases as the throttle plate is opened. Each TP sensor has a signal circuit and they both share a 5-volt reference and a low reference circuits.

Engine Control Module
The engine control module (ECM) is the control center for the throttle actuator control (TAC) system. The ECM determines the drivers intent, then calculates the appropriate throttle response. The ECM achieves throttle positioning by providing a pulse width modulated voltage to the TAC motor.

Modes of Operation
Normal Mode
During the operation of the TAC system, several modes or functions are considered normal. The following modes may be entered during normal operation:

• Minimum pedal value--At key-up, the ECM updates the learned minimum pedal value.

• Minimum TP values--At key-up, the ECM updates the learned minimum TP value. In order to learn the minimum TP value, the throttle blade is moved to the closed position.

• Ice break mode--If the throttle is not able to reach a predetermined minimum throttle position, the ice break mode is entered. During the ice break mode, the ECM commands the maximum pulse width several times to the throttle actuator motor in the closing direction.

• Battery saver mode--After a predetermined time without engine RPM, the ECM commands the battery saver mode. During the battery saver mode, the TAC module removes the voltage from the motor control circuits, which removes the current draw used to maintain the idle position and allows the throttle to return to the spring loaded default position.

Reduced Engine Power Mode
When the ECM detects a condition with the TAC system, the ECM may enter a reduced engine power mode. Reduced engine power may cause one or more of the following conditions:

• Acceleration limiting--The ECM will continue to use the accelerator pedal for throttle control however, the vehicle acceleration is limited.

• Limited throttle mode--The ECM will continue to use the accelerator pedal for throttle control however, the maximum throttle opening is limited.

• Throttle default mode--The ECM will turn OFF the throttle actuator motor and the throttle will return to the spring loaded default position.

• Forced idle mode--The ECM will perform the following actions:

- Limit engine speed to idle by positioning the throttle position, or by controlling the fuel and spark if the throttle is turned OFF

- Ignore the accelerator pedal input

• Engine shutdown mode--The ECM will disable the fuel and de-energize the throttle actuator

IP: Logged
AJxtcman
Member
Posts: 1098
From: Rock Hill SC
Registered: Nov 2006


Feedback score: N/A
Leave feedback

Rate this member

Report this Post03-05-2007 07:16 AM Click Here to See the Profile for AJxtcmanSend a Private Message to AJxtcmanDirect Link to This Post

AJxtcman

1098 posts
Member since Nov 2006
06 Impala
3.9L


5.3L
IP: Logged
AJxtcman
Member
Posts: 1098
From: Rock Hill SC
Registered: Nov 2006


Feedback score: N/A
Leave feedback

Rate this member

Report this Post03-05-2007 07:18 AM Click Here to See the Profile for AJxtcmanSend a Private Message to AJxtcmanDirect Link to This Post

AJxtcman

1098 posts
Member since Nov 2006
06 3.8L
It runs a TAC module

IP: Logged
AJxtcman
Member
Posts: 1098
From: Rock Hill SC
Registered: Nov 2006


Feedback score: N/A
Leave feedback

Rate this member

Report this Post03-05-2007 07:35 AM Click Here to See the Profile for AJxtcmanSend a Private Message to AJxtcmanDirect Link to This Post

AJxtcman

1098 posts
Member since Nov 2006
I will find some graphs for the APP to shed some light on it.

------------------
Cadillac Tech
ASE MASTER TECH since 1988

86 Northstar Fiero
85 RX7 former SCCA car
56 TR3 small mouth 6.0L
A.J. Whiteley

IP: Logged
AquaHusky
Member
Posts: 1234
From: Sedalia, Mo
Registered: Dec 2006


Feedback score: N/A
Leave feedback

Rate this member

Report this Post03-05-2007 09:33 AM Click Here to See the Profile for AquaHuskySend a Private Message to AquaHuskyDirect Link to This Post
I'm glad to see you here. I have a question about mine in my VUE. When I lift off the throttle, it feels as if it stays open for a while and full "engine brake" doesn't happen. Is there anything I can do to have this thing shut completely when I lift off? I hate tapping the brake cuz the throttle doesn't shut all the way and the shifting sucks cuz it doesn't rev down as it should.
IP: Logged
Pyrthian
Member
Posts: 29569
From: Detroit, MI
Registered: Jul 2002


Feedback score: (5)
Leave feedback





Total ratings: 342
Rate this member

Report this Post03-05-2007 10:55 AM Click Here to See the Profile for PyrthianSend a Private Message to PyrthianDirect Link to This Post
hmpf....a TPS?
why would this be needed, if the ECM controls where the throttle will be anyways?

actually, I assume this is for backward compatibility & options.....
IP: Logged
FastFieros
Member
Posts: 2698
From: Dallas Texas USA
Registered: Nov 2000


Feedback score: (2)
Leave feedback





Total ratings: 265
Rate this member

Report this Post03-05-2007 11:34 AM Click Here to See the Profile for FastFierosClick Here to visit FastFieros's HomePageSend a Private Message to FastFierosDirect Link to This Post
 
quote
Originally posted by AquaHusky:

I'm glad to see you here. I have a question about mine in my VUE. When I lift off the throttle, it feels as if it stays open for a while and full "engine brake" doesn't happen. Is there anything I can do to have this thing shut completely when I lift off? I hate tapping the brake cuz the throttle doesn't shut all the way and the shifting sucks cuz it doesn't rev down as it should.


You dont mention your year model.. but the 99-01 SilverRado trucks had this problem also. In 02, the truck was released with a cable back on it, and ETC removed. Then after reworking the system, in 03 it was released with ETC again. Some have said that there is a CAL file update that fixes the decel engine braking problem, others say it is not a good enough fix.

The motor servo is most likely the issue. You might call your GM dealer and see if there is a TSB on the VUE for a replacement throttle body, and in the least, a CAL update for the PCM.

What is the VIN of your VUE? I can check to see how many OSID updates there are.

this is a 2004 Grand Prix GTP

--------------------------------------------------------------------------------

Part Number Cal.ID# CVN Description
12596134 12596138 N/A New calibration to address customer complaints of rough idle and misfire DTC setting at light load idle conditions.
12588928 12588931 N/A Corrects TIPIN hesitation on acceleration - cold engine with fine pitch final drive installed, Bulletin no. 676530.
12584053 12584056 N/A New calibration to address clunk noise occurring at shutdown
12582182 12582185 N/A New calibration for transmission shift improvements



--------------------------------------------------------------------------------

Selected Options:
VIN: 2G2WR524341165536
Controller: PCM/VCM Powertrain/Vehicle Control Module


loyde


IP: Logged
FastFieros
Member
Posts: 2698
From: Dallas Texas USA
Registered: Nov 2000


Feedback score: (2)
Leave feedback





Total ratings: 265
Rate this member

Report this Post03-05-2007 11:40 AM Click Here to See the Profile for FastFierosClick Here to visit FastFieros's HomePageSend a Private Message to FastFierosDirect Link to This Post

FastFieros

2698 posts
Member since Nov 2000
post not needed...

Loyde

[This message has been edited by FastFieros (edited 03-05-2007).]

IP: Logged
PFF
System Bot
FastFieros
Member
Posts: 2698
From: Dallas Texas USA
Registered: Nov 2000


Feedback score: (2)
Leave feedback





Total ratings: 265
Rate this member

Report this Post03-05-2007 12:01 PM Click Here to See the Profile for FastFierosClick Here to visit FastFieros's HomePageSend a Private Message to FastFierosDirect Link to This Post

FastFieros

2698 posts
Member since Nov 2000
Drive by wire, is the very old term, and it expands to everything electronic about a automobile today.

Today it is ETC ( Electronic Throttle Control ) . The full use of drive by wire as described by SAE is the coming of an all wire/electronic system in your automobile. The engine is controled by computers and accuators, the brakes are controlled by computers and accuators, the list goes on. The car today is a rolling computer network. LAN. It is comprised of a bus type system in most cases, but the star LAN is also used. I have never seen a token ring setup in a car.

The class 2 serial data is the typical use up to 2004, and some 2005.

The CAN is replacing serial with full impletmation by 2010 from what I have read.

It is important to know what system is in what car that you intend to remove a powertrain from. The 2004 Grand Prix GTP is about the easiest to start with on learning the ETC functions, and what talks to what.

The APP is 2 TPS type potientometers. One is the primary, and the other is the backup check saftey in place. If either are not in a tolerence of ?? ( I forgot what it was ) voltage, the car goes to Idle mode. The engine does not shut off, but just idles.

The TAC gets signals from the VSS, and some other things to get it online so the throttle blade will move when you press the APP.

You cannot assume all ETC systems are the same. Some APP have 3 TPS type potientometers. 2 are primary, and the other is backup.

The reason for APP is it sets up the MODES the ETC will operate in. There is parking lot mode, there is performance mode, there is cruise mode, there is up hill cruise mode... many things that software people can do with what happens with that throttle blade.

Then there is the automatic transmission talking to the PCM and the TAC. This sets up torque management.

Alot to learn and understand with ETC. I cant wait to try brake by wire systems some day.

I have done the S3 with ETC and TAP to a Fiero already in 2004 http://www.fastfieros.com/p...loyde_3800/index.htm

Here is the graph and how ETC works ... http://www.fastfieros.com/tech/delphi_etc.htm



Loyde

[This message has been edited by FastFieros (edited 03-05-2007).]

IP: Logged
AJxtcman
Member
Posts: 1098
From: Rock Hill SC
Registered: Nov 2006


Feedback score: N/A
Leave feedback

Rate this member

Report this Post03-05-2007 01:45 PM Click Here to See the Profile for AJxtcmanSend a Private Message to AJxtcmanDirect Link to This Post
 
quote
Originally posted by AquaHusky:

I'm glad to see you here. I have a question about mine in my VUE. When I lift off the throttle, it feels as if it stays open for a while and full "engine brake" doesn't happen. Is there anything I can do to have this thing shut completely when I lift off? I hate tapping the brake cuz the throttle doesn't shut all the way and the shifting sucks cuz it doesn't rev down as it should.


PM me with the last 8 of the vin and I can check for Software Cal update

------------------
Cadillac Tech
ASE MASTER TECH since 1988

86 Northstar Fiero
85 RX7 former SCCA car
56 TR3 small mouth 6.0L
A.J. Whiteley

IP: Logged
AquaHusky
Member
Posts: 1234
From: Sedalia, Mo
Registered: Dec 2006


Feedback score: N/A
Leave feedback

Rate this member

Report this Post03-05-2007 10:45 PM Click Here to See the Profile for AquaHuskySend a Private Message to AquaHuskyDirect Link to This Post
 
quote
Originally posted by FastFieros:


You dont mention your year model.. but the 99-01 SilverRado trucks had this problem also. In 02, the truck was released with a cable back on it, and ETC removed. Then after reworking the system, in 03 it was released with ETC again. Some have said that there is a CAL file update that fixes the decel engine braking problem, others say it is not a good enough fix.

The motor servo is most likely the issue. You might call your GM dealer and see if there is a TSB on the VUE for a replacement throttle body, and in the least, a CAL update for the PCM.

What is the VIN of your VUE? I can check to see how many OSID updates there are.

this is a 2004 Grand Prix GTP


Here's the VIN

5GZCZ23DX4S853818

Edit: oops, didn't realize that last post till after I posted this.

[This message has been edited by AquaHusky (edited 03-05-2007).]

IP: Logged
FastFieros
Member
Posts: 2698
From: Dallas Texas USA
Registered: Nov 2000


Feedback score: (2)
Leave feedback





Total ratings: 265
Rate this member

Report this Post03-05-2007 11:52 PM Click Here to See the Profile for FastFierosClick Here to visit FastFieros's HomePageSend a Private Message to FastFierosDirect Link to This Post
Part Number Cal.ID# CVN Description
12598581 12598588 N/A Revised Calibration
12576557 N/A
12586597 12586599 N/A Control module calibration
12576557 N/A



--------------------------------------------------------------------------------

Selected Options:
VIN: 5GZCZ23DX4S853818
Controller: PCM/VCM Powertrain/Vehicle Control Module


While I cannot tell you what OSID version you have in your VUE today, there are updates. I dont have DealerWorld access any longer, so I cannot look up the TSB's.

Loyde
IP: Logged
AquaHusky
Member
Posts: 1234
From: Sedalia, Mo
Registered: Dec 2006


Feedback score: N/A
Leave feedback

Rate this member

Report this Post03-06-2007 09:43 AM Click Here to See the Profile for AquaHuskySend a Private Message to AquaHuskyDirect Link to This Post
Thanks for the heads up. I bought this car used about this time last year, you think the update would have been done at the Saturn dealership I bought it from?
IP: Logged
Dennis LaGrua
Member
Posts: 16187
From: Hillsborough, NJ U.S.A.
Registered: May 2000


Feedback score:    (13)
Leave feedback





Total ratings: 326
Rate this member

Report this Post03-06-2007 11:47 AM Click Here to See the Profile for Dennis LaGruaSend a Private Message to Dennis LaGruaDirect Link to This Post
 
quote
Originally posted by FastFieros:

Part Number Cal.ID# CVN Description
12598581 12598588 N/A Revised Calibration
12576557 N/A
12586597 12586599 N/A Control module calibration
12576557 N/A



Good info.
Just for reference the PCM number on my 2006 Grand Prix series III with ETC is 12589569. The matching 4T65e HD is P/N CA 24227691 . While this system is the current state of the art system for the Grand Prix, I would caution the average hobbiest/mechanic against attempting this swap unless software is developed that makes it possible to disable and remove all of the inputs that are not available on a Fiero. Otherwise the swap won't work.
These ETC PCMs expect far more inputs to be present than were used the former C3 ECMs or the last generation OBD II PCM's , Things like refrigerent pressure, gas tank pressure , ABS sensors, Gauges and Paddle shift switch inputs must be present or the system won't work. The fuel pump and regulator are entirely different and are also under PCM control.
While many folks can make harnesses and rewire; what is needed to solve the ETC drive by wire swap challenge for a Fiero swap is a reprogrammed PCM that can operate just from sensors, trans and, TAC input . Basically a system that will be up and running using just power and ground and the available sensors and controls that exist on the engine, trans and accelerator pedal.
Our approach will be to use an earlier ( 2003) PCM with a std cable operated TB ( Northstar) , std O2 sensors, and a return type fuel rail w in tank Corvette pump.. However, shifting the late model 4T65eHD.s is a concern. We are looking into mods to the tranny like changing the Line pressure solenoid and other things to the earlier parts that would enable use of a more basic non ETC OBD II PCM . We were told that the 2003 GTP PCM ( which is not DBW) has the capability to shift the 2006 4T65eHD but further research is needed. We are speaking with trans shops today and will report the findings.
Some of the great Fiero minds on this forum have stepped forward to see if they can help develop a solution to this swap. Apparently we are the only ones trying to manage a series III 3800SC engine /4T65eHD swap using a cable operated TB and the return type fuel rail. I'm confident that a solution will be found soon.

------------------
87GT 3.4 Turbo- 0-60 5.2 seconds -Best
Engine Controls, ECM goodies, Chip
re-programming & odd electronics stuff

IP: Logged
AJxtcman
Member
Posts: 1098
From: Rock Hill SC
Registered: Nov 2006


Feedback score: N/A
Leave feedback

Rate this member

Report this Post03-06-2007 12:25 PM Click Here to See the Profile for AJxtcmanSend a Private Message to AJxtcmanDirect Link to This Post
 
quote
Originally posted by AquaHusky:

Thanks for the heads up. I bought this car used about this time last year, you think the update would have been done at the Saturn dealership I bought it from?


Never it is against policy and procedure.

12586597 - Control Module
12598581 Update software

VIN : 5GZCZ23DX4S853818

APPLICABLE WARRANTIES
Description.... Effective Date.............................. Effective .........Odometer ................... End Date...... End Odometer
36/36000...BUMPER TO BUMPER ...............................05/28/2004 ......208 miles .........05/28/2007 .........36208 miles
72/100000 ...SHEET METAL COVERAGE RUST THROUGH ... .05/28/2004 ..... 208 miles .... 05/28/2010 ....100208 miles
96/80000 .FEDERAL EMISSION CATALYTIC CONV. AND PCM ... 05/28/2004 .... 208 miles .... 05/28/2012 ... 80208 miles
36/50000 ...CALIFORNIA EMISSIONS .............................. 05/28/2004 ........208 miles ......... 05/28/2007 .....50208 miles
84/70000 ...CALIFORNIA SELECT COMPONENT............... 05/28/2004 ............ 208 miles .........05/28/2011...70208 miles

CLAIM HISTORY
Vehicle Has No Associated Claim History

------------------
Cadillac Tech
ASE MASTER TECH since 1988

86 Northstar Fiero
85 RX7 former SCCA car
56 TR3 small mouth 6.0L
A.J. Whiteley

[This message has been edited by AJxtcman (edited 03-06-2007).]

IP: Logged
AJxtcman
Member
Posts: 1098
From: Rock Hill SC
Registered: Nov 2006


Feedback score: N/A
Leave feedback

Rate this member

Report this Post03-06-2007 12:30 PM Click Here to See the Profile for AJxtcmanSend a Private Message to AJxtcmanDirect Link to This Post

AJxtcman

1098 posts
Member since Nov 2006
Subject:
..Information on Normal APP and TP Signal Circuit 2 Voltage Fluctuation---- - keyword DTC low MIL P0122 P0123 P0220 P0222 P01120 P1220 P1221 P1271 P1275 P1280 P1512 P1514 P1515 P1523 P2101 P2120 P2122 P2123 #PIP3461 - (06/08/2005)

Condition/Concern:
..If the APP sensor 2 or TP sensor 2 signal circuit is monitored with an oscilloscope or Fluke 87 DVOM on the 1 ms min/max setting, it may be noted that the signal voltage decreases every 156 ms for 6.25 - 7.8 ms each time.

Recommendation/Instructions:
.....It is normal for these voltages to drop as described above. This is the result of the PCM testing the APP and TP sensors for internal shorts. During the PCM test for a DTC P2135 (P1221 on 02-03 Vue), the PCM shorts the TP sensor 2 signal to ground every 156 ms for 6.25 - 7.8 ms each time. During the PCM test for a DTC P2138 (P1271 on 02-03 Vue), the PCM shorts the APP sensor 2 signal to ground every 156 ms for 6.25 - 7.8 ms each time. At this time, the PCM monitors the APP sensor 1 and TP sensor 1 signal circuit voltages to ensure that they do not decrease with the sensor 2 signal circuits. If they do, an internal sensor short is present or the signal circuits are shorted together.

If there are no DTCs resetting but toggling voltages are encountered during inspection with an oscilloscope or Fluke 87 DVOM on the 1 ms min/max setting, no repairs should be attempted to prevent the voltages from toggling as it is a normal condition. If DTCs are resetting, follow the related SI diagnostic charts to diagnose the ETC system.

------------------
Cadillac Tech
ASE MASTER TECH since 1988

86 Northstar Fiero
85 RX7 former SCCA car
56 TR3 small mouth 6.0L
A.J. Whiteley

IP: Logged
AJxtcman
Member
Posts: 1098
From: Rock Hill SC
Registered: Nov 2006


Feedback score: N/A
Leave feedback

Rate this member

Report this Post03-06-2007 02:21 PM Click Here to See the Profile for AJxtcmanSend a Private Message to AJxtcmanDirect Link to This Post

AJxtcman

1098 posts
Member since Nov 2006
The two APP signals are to challenge each other to get a correct position.


------------------
Cadillac Tech
ASE MASTER TECH since 1988

86 Northstar Fiero
85 RX7 former SCCA car
56 TR3 small mouth 6.0L
A.J. Whiteley

[This message has been edited by AJxtcman (edited 03-06-2007).]

IP: Logged
tjm4fun
Member
Posts: 3781
From: Long Island, NY USA
Registered: Feb 2006


Feedback score: N/A
Leave feedback





Total ratings: 141
Rate this member

Report this Post03-06-2007 04:55 PM Click Here to See the Profile for tjm4funSend a Private Message to tjm4funDirect Link to This Post
Good info. Have been curious about this and the redundancy they build in. Multiple sensors on each end are not just a quantity thing, by using inverse outputs and different voltage outputs, it is easier to correct/remove any induced noise from outside rf sources, always a concern with any electronic controls.
Also any servo system can be run without feedback, but in high accuracy systems, there must be feedback for accuracy, and in this case, feedback for safety. without tps feedback it would be possible with a glitch in the software or servo drive controls to end up at wot while the pcm is thinking it is idling. All failure modes must be accounted for in a system as critical as this.

remember the old saw: if builders built buildings like programmers write software, the first woodpecker that came along would destroy civilization!!

Threads like this with examples and operational overviews are a great service to people who don;t have access to this information, and just like to have some knowledge of how these systems work.
Thanks for the info, I'll just read thru from here on in!

[This message has been edited by tjm4fun (edited 03-06-2007).]

IP: Logged
PFF
System Bot
AquaHusky
Member
Posts: 1234
From: Sedalia, Mo
Registered: Dec 2006


Feedback score: N/A
Leave feedback

Rate this member

Report this Post03-06-2007 06:23 PM Click Here to See the Profile for AquaHuskySend a Private Message to AquaHuskyDirect Link to This Post
Okay, so I'm going to guess that I should call this in to see if I can get a reprogram then? You know, just to be safe about it.

Also, when at "rest", is it normal for the throttle to be open just a little?
IP: Logged
AJxtcman
Member
Posts: 1098
From: Rock Hill SC
Registered: Nov 2006


Feedback score: N/A
Leave feedback

Rate this member

Report this Post03-06-2007 06:32 PM Click Here to See the Profile for AJxtcmanSend a Private Message to AJxtcmanDirect Link to This Post
Yes the throttle will be open.
It is against policy to update the PCM with out a concern. Since your concern can not be linked to the Service Programming System (SPS) you will need to come up with a story. something like I have a friend with XXXXXX concern and he had his PCM updated. I have the same XXXXXX concern could you check the if the PCM software is up to date. Then you will need a second line stating the actual concern. You must have TWO seperate lines First is check software the Second is to check the problem.

------------------
Cadillac Tech
ASE MASTER TECH since 1988

86 Northstar Fiero
85 RX7 former SCCA car
56 TR3 small mouth 6.0L
A.J. Whiteley

IP: Logged
AquaHusky
Member
Posts: 1234
From: Sedalia, Mo
Registered: Dec 2006


Feedback score: N/A
Leave feedback

Rate this member

Report this Post03-06-2007 11:21 PM Click Here to See the Profile for AquaHuskySend a Private Message to AquaHuskyDirect Link to This Post
So I can't just go in and be "Hey, update the programming on this."?

Seriously, thanks for the instructions. I'll deal with it soon. I've just got the cash to get my Fiero running again. So, I guess my sig will be null and void soon.

Edit: Something just came to mind. GM makes that sheetmetal intake for the Eco that uses the LSx TB. I see you have the ETC TB listed here. Would I be able to use the LSx ETC TB with the 2.2's programming? Or are the pis and plugs diff? I was just thinking of getting the intake for the look and really don't feel like running a cable and redoing all the electronics.

------------------
I gots the baddest Fiero on BRICKS!

[This message has been edited by AquaHusky (edited 03-06-2007).]

IP: Logged
rogergarrison
Member
Posts: 49601
From: A Western Caribbean Island/ Columbus, Ohio
Registered: Apr 99


Feedback score: N/A
Leave feedback





Total ratings: 551
Rate this member

Report this Post03-07-2007 07:00 AM Click Here to See the Profile for rogergarrisonSend a Private Message to rogergarrisonDirect Link to This Post
All the LX Mopars have drive by wire (Charger, 300, Magnum and Challenger). Its on my 05 Magnum (bought in 04). It had a little bit of built in thottle response delay for whatever reasons. Its excellent now with Super Chips Flashpaq...instant response. You can chirp tires at will.
IP: Logged
midengineracer
Member
Posts: 196
From: Kaiserslautern, GE
Registered: Dec 2006


Feedback score: N/A
Leave feedback

Rate this member

Report this Post03-07-2007 02:23 PM Click Here to See the Profile for midengineracerClick Here to visit midengineracer's HomePageSend a Private Message to midengineracerDirect Link to This Post
If I remember right, BMW has 4 lines for the electronic throttle, three operating and one back up. If the back up is activated the car sets a fault to get you to take it to the dealer and I think it lowered the performance of the motor to make sure you don't ignore the check engine light. It's been 5 years since I learned that stuff so it could be off a bit.
All the systems have TPS to make sure the throttle plate is actually where the computer wants it. Also, to make sure that the vehicle is acting the way it should, if it receives throttle and brake signals at the same time, it only allows the motor to idle. I nearly crapped myself when that happened the first time. The master mechanic didn't tell me that part and I thought I broke a brand new X5 (worth more than my house). There is a slight delay though so you can still do a little left foot braking while racing but too much and idle it is!
IP: Logged
Francis T
Member
Posts: 6620
From: spotsylvania va. usa
Registered: Oct 2003


Feedback score: (1)
Leave feedback





Total ratings: 119
Rate this member

Report this Post03-07-2007 04:15 PM Click Here to See the Profile for Francis TClick Here to visit Francis T's HomePageSend a Private Message to Francis TDirect Link to This Post
I'm a retired computer field eng and have nothing against technology, but for me, I prefer the old cable systems. Dig throttle control just adds more things to go wrong and trouble shoot. With a cable, it's no-brainer to see if its working or not and when was the last time someone told you that they had a throttle cable break, da...... Electronic circuit failures are far more common. Sure hope they dont take E-contol to the breaks in production cars. Still an interesting thread.
And please dont compare this to aircraft flight controls, there they are needed what with so many fighters today having insane centers of gravity and hydrolics just dont cut that well on huge planes what with high control surface loads.
IP: Logged
rogergarrison
Member
Posts: 49601
From: A Western Caribbean Island/ Columbus, Ohio
Registered: Apr 99


Feedback score: N/A
Leave feedback





Total ratings: 551
Rate this member

Report this Post03-07-2007 06:42 PM Click Here to See the Profile for rogergarrisonSend a Private Message to rogergarrisonDirect Link to This Post
Ill go one better and wish it was all just a physical linkage for trans and throttle. Worked fine for 100 years, why screw with it. When my fuel pump seal gave out in the Dodge, the dealer tech thought the symtoms were in the pedal/ throttle module and replaced them. It was under warranty and was almost $800 if Id have had to pay for them. As it was, it wasnt the problem in the first place. If I would have to pay that to fix a throttle for that much, Id be real tempted to rig up my own mechanical or cable linkage.
IP: Logged
AJxtcman
Member
Posts: 1098
From: Rock Hill SC
Registered: Nov 2006


Feedback score: N/A
Leave feedback

Rate this member

Report this Post03-07-2007 08:17 PM Click Here to See the Profile for AJxtcmanSend a Private Message to AJxtcmanDirect Link to This Post
WOW we better go back to pionts. I remember all the customers that complained about Electronic Ignition. They could not fix the car on the side of the road. EI has worked great for years. I used to own a Dist machine. You had to back then to set the Dist up properly. Every six months you had to adjust the points and maybe tune the engine. We have came along way now it is 100K on a tune. Also on the older cars like the 50s if you ran through a mud puddle the car died because the plug wires had no boots on the plug ends. People do not remember all the good stuff to that JUNK.

------------------
Cadillac Tech
ASE MASTER TECH since 1988

86 Northstar Fiero
85 RX7 former SCCA car
56 TR3 small mouth 6.0L
A.J. Whiteley

IP: Logged
Francis T
Member
Posts: 6620
From: spotsylvania va. usa
Registered: Oct 2003


Feedback score: (1)
Leave feedback





Total ratings: 119
Rate this member

Report this Post03-09-2007 11:09 PM Click Here to See the Profile for Francis TClick Here to visit Francis T's HomePageSend a Private Message to Francis TDirect Link to This Post
LOL, yes I have EFI too and I think it's way better than carbs, and with carbs being no more or less (personally I think worse) than EFI, it's easy to justify not going back to simple (like heck they are) carbs. What next, a digital hammer? Actually not a bad idea if it can keep me from hitting my thumb. Some things just dont need updating. The engineering term ever is still KISS "Keep It Simple Stupid"
IP: Logged
AquaHusky
Member
Posts: 1234
From: Sedalia, Mo
Registered: Dec 2006


Feedback score: N/A
Leave feedback

Rate this member

Report this Post03-09-2007 11:18 PM Click Here to See the Profile for AquaHuskySend a Private Message to AquaHuskyDirect Link to This Post
Francis T, I think MBZ has electronic brakes to a small degree. If I remember right, it's used for their c/c and wet weather controls. The computer can sense the water on the road and pulse the brakes every so oft to dry the disks. And in the c/c app., it uses them to control downhill speeds, to keep things safe. Not to mention that we are half way there with ABS controlling the brake pressures to each wheel depending on yaw sensors and wheel degree sensors. Oh, and if your electronic go pedal gives out, go buy a $2.99 Tyco slot car controller and rig it in. Basically the same principal. Kinda... Somewhat.. no.
IP: Logged
PFF
System Bot
Francis T
Member
Posts: 6620
From: spotsylvania va. usa
Registered: Oct 2003


Feedback score: (1)
Leave feedback





Total ratings: 119
Rate this member

Report this Post03-09-2007 11:33 PM Click Here to See the Profile for Francis TClick Here to visit Francis T's HomePageSend a Private Message to Francis TDirect Link to This Post
Sure there good uses for electronics, everone knows that, but everything dont need to be digital to work good. As for breaks, if you take hard look at ABS, I think you may find ABS to more of A-Bad-System than a great improvement, no fault to how well it works. It's the PEOPLE factor there. Before ABS, people had a lot more respect for wet and icy roads. Now they just fly along like it's dry out thinking thier ABS will save thier butts. Get into a full hydroplane at speed and it dont matter much if the breaks are locked or not. Fun thread he got going here.
IP: Logged
midengineracer
Member
Posts: 196
From: Kaiserslautern, GE
Registered: Dec 2006


Feedback score: N/A
Leave feedback

Rate this member

Report this Post03-10-2007 07:38 AM Click Here to See the Profile for midengineracerClick Here to visit midengineracer's HomePageSend a Private Message to midengineracerDirect Link to This Post
Francis,
I was recently at an ADAC safe driver's course. One of the exercises they wet the surface and it is as slick as ice and have you stop. They also have you drive across a disc that starts spinning the car and you try to recover. Everyone with stability programs was able to recover when at reasonable speeds but no one with ABS was able to stop on the surface. I had to go ridiculously slow to keep from spinning out completely but I could always stop the car on the 'icy' pad. It was a lot different than I expected.

The systems are great but like you said, people don't have the same respect now for dangerous situations...
I do believe that drive by wire is a significant improvement and welcome it on more cars.
IP: Logged
AJxtcman
Member
Posts: 1098
From: Rock Hill SC
Registered: Nov 2006


Feedback score: N/A
Leave feedback

Rate this member

Report this Post03-10-2007 09:21 AM Click Here to See the Profile for AJxtcmanSend a Private Message to AJxtcmanDirect Link to This Post
This relates to a rod going through the firewall.


.
.
.
This relates to the ETC system. The gap in between is how it has been for awhile.

.
.
.
.
.
.
.
.
.
.

.
.

.
.

.
.

.
.
I will have to do a lot more explaining of the reasoning and circuits.

------------------
Cadillac Tech
ASE MASTER TECH since 1988

86 Northstar Fiero
85 RX7 former SCCA car
56 TR3 small mouth 6.0L
A.J. Whiteley

IP: Logged
AJxtcman
Member
Posts: 1098
From: Rock Hill SC
Registered: Nov 2006


Feedback score: N/A
Leave feedback

Rate this member

Report this Post03-10-2007 09:28 AM Click Here to See the Profile for AJxtcmanSend a Private Message to AJxtcmanDirect Link to This Post

AJxtcman

1098 posts
Member since Nov 2006
.

[This message has been edited by AJxtcman (edited 03-10-2007).]

IP: Logged
FIEROPHREK
Member
Posts: 4424
From: a dig
Registered: Mar 2004


Feedback score: (5)
Leave feedback





Total ratings: 137
Rate this member

Report this Post03-10-2007 01:37 PM Click Here to See the Profile for FIEROPHREKSend a Private Message to FIEROPHREKDirect Link to This Post
AJ you have a p.m.

------------------
HARDCORE SBC CRONIE AND PROUD OF IT ! GOT TQ ?

IP: Logged
rogergarrison
Member
Posts: 49601
From: A Western Caribbean Island/ Columbus, Ohio
Registered: Apr 99


Feedback score: N/A
Leave feedback





Total ratings: 551
Rate this member

Report this Post03-10-2007 01:53 PM Click Here to See the Profile for rogergarrisonSend a Private Message to rogergarrisonDirect Link to This Post
And the rod thru the firewall was not acceptable any more because ....................... ?

Electronic ignition is an improvement in that it is generally more reliable. Also a lot more expensive to fix and diagnose than sticking in a $3 set of points. Any kind of mechanic can put in a new set of points by the side of the road in 15 mins. Some electronics are fine, but a lot are worthless in that they dont improve anything at all. Would you trust your life to a 'wire' steering right now on a car you drive on the freeway. I wouldnt, I like my steering wheel connected with heavy pieces of steel to the wheels.

Sorry but I dont think you would spend a grand to fix your thottle. I would def be rigging up a cable or rod linkage. I know a lot of Fiero people that wont spend $75 for an alternator....some even frown on spending that for a running used engine.

As for the comparison to abacus. The abacus works fine for what its intended, never has glitches in program, never need batteries, dont take a degree to operate, works even when dropped or spilled on, never affected by sunspot activity , never needs updated and will prob outlive original owner.

[This message has been edited by rogergarrison (edited 03-10-2007).]

IP: Logged
Francis T
Member
Posts: 6620
From: spotsylvania va. usa
Registered: Oct 2003


Feedback score: (1)
Leave feedback





Total ratings: 119
Rate this member

Report this Post03-10-2007 06:00 PM Click Here to See the Profile for Francis TClick Here to visit Francis T's HomePageSend a Private Message to Francis TDirect Link to This Post
As for the comparison to abacus. The abacus works fine for what its intended, never has glitches in program, never need batteries, dont take a degree to operate, works even when dropped or spilled on, never affected by sunspot activity , never needs updated and will prob outlive original owner.


AND IT WILL NOT BE AFFECTED BY THE BOMB EITHER, JUST ASK ANYONE IN JERICO IF THEIR ABACUS IS STILL WORKING. THIS THREAD MAY NEVER END.

------------------
[IMG]



Trueleo.com/fiero.htm
RSpiderII@aol.com

IP: Logged
tjm4fun
Member
Posts: 3781
From: Long Island, NY USA
Registered: Feb 2006


Feedback score: N/A
Leave feedback





Total ratings: 141
Rate this member

Report this Post03-10-2007 06:36 PM Click Here to See the Profile for tjm4funSend a Private Message to tjm4funDirect Link to This Post
ok, aside from the it;s good or bad, the is only one reason that automakers are doing this. money.
with the ability to control how you control your throttle, they can let you floor it and then determine how much power they will allow the engine to produce at given speed and transmission gear. net result is they can now say that the engine will never be allowed to produce more than x amount of torque, so we only need to use y alloy gears of this size, and the transmission will not blow up, the engine will not overrev. save on warranty repairs of major mechanical components which are labor intensive and costly vs electronic component replacement, which is usually faster and inspite of what they charge you for the part, very cheap.

it essentially also allows the maximum performance from the car with the least potential damage.

the bean counters win again.

as far as my thoughts, more complexity = more potential points of failure. In mainframes there is redundancy and alternate routing for fault tolerance, something that is still apparently lacking in some of the auto controls.

[This message has been edited by tjm4fun (edited 03-10-2007).]

IP: Logged
AJxtcman
Member
Posts: 1098
From: Rock Hill SC
Registered: Nov 2006


Feedback score: N/A
Leave feedback

Rate this member

Report this Post03-10-2007 06:54 PM Click Here to See the Profile for AJxtcmanSend a Private Message to AJxtcmanDirect Link to This Post
I have 5 customers with a 3.6L AWD E Trucks. They all complain of Car won't go. Conversion from Ebonics to English is hesitation at time on acceleration. Also at time they get Traction engaged message. OK the right front tire spins on acceleration. Some times it is a different tire. This is a Traction event that is normal. The problem is the APP can read 50% every time and the TPS will go from 5% to 50% and no issues. When the condition occurs the TPS reads 75% to 100% at 50% APP. The programs are usually very aggressive on acceleration. So you give it 50% throttle and get 100% and the tire spins. You can hold it 100% APP and on shifts it will back off the throttle angle and reopen it. I do not like it. This save on abuse of parts warrantied for 100,000 miles. BTW most of our customers speak Ebonics. You have to look good in your ride even if you have bullets flighing by at night.

------------------
Cadillac Tech
ASE MASTER TECH since 1988

86 Northstar Fiero
85 RX7 former SCCA car
56 TR3 small mouth 6.0L
A.J. Whiteley

IP: Logged
Previous Page | Next Page

This topic is 2 pages long:  1   2 


All times are ET (US)

T H I S   I S   A N   A R C H I V E D   T O P I C
  

Contact Us | Back To Main Page

Advertizing on PFF | Fiero Parts Vendors
PFF Merchandise | Fiero Gallery
Real-Time Chat | Fiero Related Auctions on eBay



Copyright (c) 1999, C. Pennock