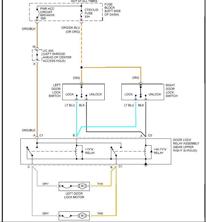
The Fiero uses a positive trigger door lock relay. This means power is applied to the relay coil via the lock/unlock switch and the coil grounds through the metal housing. Most aftermarket systems are a negative trigger. If your system is a negative trigger you will need to use a pair of relays to activate the factory power lock relay.
Does it tell you in the instructions if your keyless entry system is positive or negative trigger?
Basically, you need to set up your module to feed 12v+ to terminals "A" and "B" at the lock relay.
Here is the FSM wiring diagram:

[This message has been edited by seajai (edited 06-10-2017).]