Pennock's Fiero Forum
  Technical Discussion & Questions - Archive
  4.9 fuel pump relay question please help

T H I S   I S   A N   A R C H I V E D   T O P I C
  

Email This Page to Someone! | Printable Version


4.9 fuel pump relay question please help by Darren's 87 coupe
Started on: 04-13-2010 05:37 PM
Replies: 16
Last post by: Mickey_Moose on 04-16-2010 01:23 PM
Darren's 87 coupe
Member
Posts: 673
From: Yukon , OK
Registered: Sep 2001


Feedback score:    (6)
Leave feedback

Rate this member

Report this Post04-13-2010 05:37 PM Click Here to See the Profile for Darren's 87 coupeSend a Private Message to Darren's 87 coupeDirect Link to This Post
4.9 from a 91 Deville, the relay is from my 87 base model coupe. All the wiring stuff I can find doesn't match mine. Even what is in my service man for the 87

The wire from the relay on the A pin is Green/Wht The B pin is the TAN/WHT, the C pin is the black ground, and then it looks like two other wires are coming out of the same hole and they are both Orange/BLK. this doesn't seem to match anything I'm finding, and the way I have it wired now isn't working.

The fuel pump is new and it is plugged in, so I hope that is eliminated.

The oil pressure sender is from an 88 like most people are using. The wires are hard to tell the colors so if you could tell me the pins, that might help as well. I know the one at the top is B i think, but if someone can make sure that A and C are on the right side that would help to.

Thanks,
Darren

------------------

IP: Logged
PFF
System Bot
countach711
Member
Posts: 797
From: Littleton, Colorado
Registered: Sep 2003


Feedback score: N/A
Leave feedback

Rate this member

Report this Post04-13-2010 05:46 PM Click Here to See the Profile for countach711Click Here to visit countach711's HomePageSend a Private Message to countach711Direct Link to This Post
try switching the relays. when I installed mine, the fuel pump wouldn't work so I tried it and, voila! it worked! The AC relay partenered with the fuel pump is the same. It is possible that just the act of removing and replacing the relays cleaned the contacts and that may have been all it was. Good luck.
IP: Logged
Mike Gonzalez
Member
Posts: 5093
From: Colorado Springs, CO. USA
Registered: Jul 2001


Feedback score: (1)
Leave feedback





Total ratings: 130
Rate this member

Report this Post04-13-2010 05:48 PM Click Here to See the Profile for Mike GonzalezSend a Private Message to Mike GonzalezDirect Link to This Post
On the FP relay the colors should be Orange/blk are power in and the second goes to the oil sender (if used). The Tan/Wht goes to the fuel pump. Black is ground, and Gree/Wht goes to the ECM fuel enable.

The oil switch, the center horizontal tab is the pressure gauge sender, and the two parrallel vertical tabs are a switch for fuel pump relay bypass. They just make contact across the two wires when oil is over 4psi.
IP: Logged
Mickey_Moose
Member
Posts: 7582
From: Edmonton, AB, Canada
Registered: May 2001


Feedback score: (3)
Leave feedback





Total ratings: 144
Rate this member

Report this Post04-14-2010 02:23 PM Click Here to See the Profile for Mickey_MooseSend a Private Message to Mickey_MooseDirect Link to This Post
I don't know about pin numbering, but if you are following the wire colors, use the notes below (you oil sensor wiring must be really faded if the colors are hard to tell apart - how about further down the harness does the coloring come back?)

from here: https://www.fiero.nl/forum/Forum2/HTML/098096.html

[This message has been edited by Mickey_Moose (edited 04-14-2010).]

IP: Logged
Darren's 87 coupe
Member
Posts: 673
From: Yukon , OK
Registered: Sep 2001


Feedback score:    (6)
Leave feedback

Rate this member

Report this Post04-14-2010 07:30 PM Click Here to See the Profile for Darren's 87 coupeSend a Private Message to Darren's 87 coupeDirect Link to This Post
These are the notes that I'm following, but mine doesn't match.
You only list 4 wires, and I have two ORN/BLK wires.
Then on the oil pressure switch I only have 3 wires, no black.
the wires from that plug are REALLY short, so I can't go further down the harness unfortunately.
Thanks for the advice guys Still not finding what I'm looking for though. Any more ideas?
IP: Logged
Mike Gonzalez
Member
Posts: 5093
From: Colorado Springs, CO. USA
Registered: Jul 2001


Feedback score: (1)
Leave feedback





Total ratings: 130
Rate this member

Report this Post04-14-2010 07:35 PM Click Here to See the Profile for Mike GonzalezSend a Private Message to Mike GonzalezDirect Link to This Post
Like I posted earlier the second orange wire goes to the oil pressure sender if you want to use it as a backup to the FP relay. If you dont use the oil pressure sender as a fuel pump backup you dont need the two outside wires on the oil sender connector, or the second orange on the FP relay. The center wire on the oil sender runs the gauge.
IP: Logged
Mike Gonzalez
Member
Posts: 5093
From: Colorado Springs, CO. USA
Registered: Jul 2001


Feedback score: (1)
Leave feedback





Total ratings: 130
Rate this member

Report this Post04-14-2010 07:50 PM Click Here to See the Profile for Mike GonzalezSend a Private Message to Mike GonzalezDirect Link to This Post

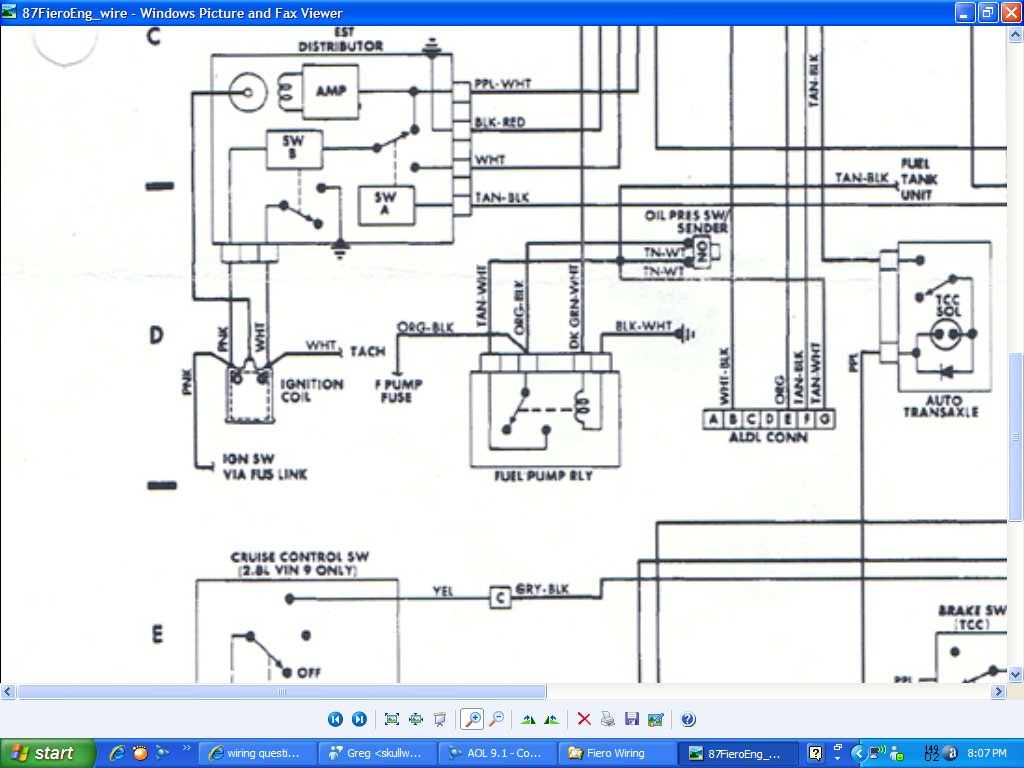
Mike Gonzalez

5093 posts
Member since Jul 2001
Here is the diagram of the FP relay and the oil switch from the FSM.

IP: Logged
josef644
Member
Posts: 6939
From: Dickinson, Texas USA
Registered: Nov 2006


Feedback score:    (71)
Leave feedback





Total ratings: 103
Rate this member

Report this Post04-14-2010 08:07 PM Click Here to See the Profile for josef644Send a Private Message to josef644Direct Link to This Post
I wired mine as Mickey_Moose posted. It worked the first time I turned the key. Thanks to M_M
Joe
IP: Logged
Mickey_Moose
Member
Posts: 7582
From: Edmonton, AB, Canada
Registered: May 2001


Feedback score: (3)
Leave feedback





Total ratings: 144
Rate this member

Report this Post04-15-2010 11:02 AM Click Here to See the Profile for Mickey_MooseSend a Private Message to Mickey_MooseDirect Link to This Post
 
quote
Originally posted by Darren's 87 coupe:

These are the notes that I'm following, but mine doesn't match.
You only list 4 wires, and I have two ORN/BLK wires.
Then on the oil pressure switch I only have 3 wires, no black.
the wires from that plug are REALLY short, so I can't go further down the harness unfortunately.
Thanks for the advice guys Still not finding what I'm looking for though. Any more ideas?


Use the 2nd org/blk to feed the oil sensor as Mike Gonzalez mentioned. The org/blk wire are just a power feed, no big deal if you have an extra

The oil sensor plug you are using came from which car? I will have a look tonight and see if I can get you pin numbers off mine, but you may have to source another plug for your oil sensor (I would 'assume' the plug you have used the case of the sensor as a ground - hence the missing wire, but this is an assumption and you would still need a new plug with 4 wires as the 88 sensor's case is not the ground point).
IP: Logged
Fieroseverywhere
Member
Posts: 4242
From: Gresham, Oregon USA
Registered: Mar 2006


Feedback score:    (14)
Leave feedback





Total ratings: 89
Rate this member

Report this Post04-15-2010 11:08 AM Click Here to See the Profile for FieroseverywhereSend a Private Message to FieroseverywhereDirect Link to This Post
 
quote
Originally posted by Darren's 87 coupe:

Then on the oil pressure switch I only have 3 wires, no black.
the wires from that plug are REALLY short, so I can't go further down the harness unfortunately.
Thanks for the advice guys Still not finding what I'm looking for though. Any more ideas?


You won't find a black wire on the oil pressure sensor plug for the caddy (I'm not sure about the fiero one). That is a ground wire and the stock caddy switch grounds through the block. At least this is how mine is setup. There was no need for me to add a 4th wire. I'm using the caddy fuel pump relay and 88 fiero oil pressure sender and I wired it exactly as the 4.9 diagrams show. I can take a look at the pin #'s (or letters in this case) for you also tonight if you need. The sensor is right on top and easy to see.

EDIT: I'm using an aftermarket OPS for an 88 fiero. I'm not sure if a NOS one is different. Mine grounds fine through the block. Have you checked the wires at the fuel pump connector with a multimeter yet? I accidentally pinched a wire from the sending unit between the tank and tunnel when installing the new fuel pump in mine. This pinched wire shorted power to ground. This left me with nothing, no click, no pump, no oil pressure gauge. Worth a look at least.

Simple check of the circuit:
Check continuety of the wires at the C203 pins "B" and "L" and PCM pins F1 and E13.

PCM
F1 > pin #5 on fuel pump relay (grn/wht)
E13 > "A" on OPS > #4 on relay > Fuel pump connector (PCM control of pump)

C203
B > #1 on relay > "C" on OPS
L > fuel pump connector (power to pump)

Also verify ground at relay is good.

Then check continuety between each wire of the fuel pump connector wires and ground (sending unit side). There should not be any. If there is continuety between either one and ground then you have a short in that wire at the sending unit. THis is important. Everything else may check out and there could still be a problem here.

The 3rd wire at the fuel pump connector is for the fuel gauge. Pin "E" at the c203 is for oil pressure gauge (connects to "B" on the sensor connector). The pump will work without either one connected.

Verify these first to eliminate the wiring itself as a potential problem area. The caddy fuel pump relay is labeled with numbers instead of letters so I appologise if this just makes things more confusing for you.

[This message has been edited by Fieroseverywhere (edited 04-15-2010).]

IP: Logged
Carrluvr
Member
Posts: 163
From: Upstate,NY
Registered: Aug 2007


Feedback score: N/A
Leave feedback

Rate this member

Report this Post04-15-2010 01:37 PM Click Here to See the Profile for CarrluvrSend a Private Message to CarrluvrDirect Link to This Post
 
quote
Originally posted by Fieroseverywhere:


You won't find a black wire on the oil pressure sensor plug for the caddy (I'm not sure about the fiero one). That is a ground wire and the stock caddy switch grounds through the block. At least this is how mine is setup. There was no need for me to add a 4th wire. I'm using the caddy fuel pump relay and 88 fiero oil pressure sender and I wired it exactly as the 4.9 diagrams show. I can take a look at the pin #'s (or letters in this case) for you also tonight if you need. The sensor is right on top and easy to see.




Bingo. You beat me to it. I used this wiring scheme above and an 88 sensor.
IP: Logged
PFF
System Bot
Darren's 87 coupe
Member
Posts: 673
From: Yukon , OK
Registered: Sep 2001


Feedback score:    (6)
Leave feedback

Rate this member

Report this Post04-15-2010 04:51 PM Click Here to See the Profile for Darren's 87 coupeSend a Private Message to Darren's 87 coupeDirect Link to This Post
OK I'll get on all of this as soon as I can, but it looks a lot like you guys answered the questions. Let me go try some of the stuff you mentioned and I'll let you know what happens. I'm getting excited to figure something out.
Darren

------------------

IP: Logged
Mickey_Moose
Member
Posts: 7582
From: Edmonton, AB, Canada
Registered: May 2001


Feedback score: (3)
Leave feedback





Total ratings: 144
Rate this member

Report this Post04-15-2010 08:24 PM Click Here to See the Profile for Mickey_MooseSend a Private Message to Mickey_MooseDirect Link to This Post
 
quote
Originally posted by Fieroseverywhere:

You won't find a black wire on the oil pressure sensor plug for the caddy (I'm not sure about the fiero one).


wanna bet? I just had a look at mine and there is a black wire there (I am sure the last couple I wired up also had the black wire) - anyways, there you have it. Maybe it's a Canadian thing.

For the record, my oil sensor plug does not have the pins labelled (???) - but looking at the face of the plug (the pin side not the wire side), there is one 'corner' notched. With the connector turned so the notch in the lower left corner, the wire colors are as: starting at the 12 o'clock position and going clockwise (top, right, bottom, left): green, tan, pink/black and black.

Cheers
IP: Logged
Fieroseverywhere
Member
Posts: 4242
From: Gresham, Oregon USA
Registered: Mar 2006


Feedback score:    (14)
Leave feedback





Total ratings: 89
Rate this member

Report this Post04-15-2010 09:16 PM Click Here to See the Profile for FieroseverywhereSend a Private Message to FieroseverywhereDirect Link to This Post
 
quote
Originally posted by Mickey_Moose:


wanna bet? I just had a look at mine and there is a black wire there (I am sure the last couple I wired up also had the black wire) - anyways, there you have it. Maybe it's a Canadian thing.

For the record, my oil sensor plug does not have the pins labelled (???) - but looking at the face of the plug (the pin side not the wire side), there is one 'corner' notched. With the connector turned so the notch in the lower left corner, the wire colors are as: starting at the 12 o'clock position and going clockwise (top, right, bottom, left): green, tan, pink/black and black.

Cheers



Well what do you know. I guess your right. The one on my 4.9 does indeed have a black wire. The left over fiero one I have here does not. Guess you got me on that one. I just mixed it up with the fiero one I grabbed and later found out I didn't need.

Of course, I assume you know, it doesn't change a thing...
I'm looking at two 88 fiero oil pressure senders. One is on my car, the other is the broken one that used to be on my car. I accidentally twisted off the plastic part. Neither of which have 4 pins in them. The missing pin is the one where the ground is. 3 or 4 wires on the connector doesn't make a lick of difference if there isn't a pin for the wire to connect to. Obviously it still works. I remember now why I didn't bother hooking it to anything. You can connect that wire to ground all you want. The 88 fiero senders I have will still ground through the block.


How many pins does your sender have? I have no idea why GM would have isolated the ground on the 4.9 oil pressure switch and not the fiero sender. I double checked the caddy switch also (yes, I still have it. ). It has 4 pins.

EDIT: Based on the pic above my wire colors are grey (upper left), pink/blk (upper right), and tan (bottom). Oh the fun we have when the same parts are different.

[This message has been edited by Fieroseverywhere (edited 04-15-2010).]

IP: Logged
Mickey_Moose
Member
Posts: 7582
From: Edmonton, AB, Canada
Registered: May 2001


Feedback score: (3)
Leave feedback





Total ratings: 144
Rate this member

Report this Post04-16-2010 09:53 AM Click Here to See the Profile for Mickey_MooseSend a Private Message to Mickey_MooseDirect Link to This Post
 
quote
Originally posted by Fieroseverywhere:

I'm looking at two 88 fiero oil pressure senders. One is on my car, the other is the broken one that used to be on my car. I accidentally twisted off the plastic part. Neither of which have 4 pins in them. The missing pin is the one where the ground is.


There you go, apparently you are smarter than I am as you did bother to look that the sensor - whereas I didn't - actually I knew that, I just wired it in for a future mod (yea that's it). - so I guess I will have to but another check mark beside your name.

...anyways, now that is cleared up...

[This message has been edited by Mickey_Moose (edited 04-16-2010).]

IP: Logged
Fieroseverywhere
Member
Posts: 4242
From: Gresham, Oregon USA
Registered: Mar 2006


Feedback score:    (14)
Leave feedback





Total ratings: 89
Rate this member

Report this Post04-16-2010 10:17 AM Click Here to See the Profile for FieroseverywhereSend a Private Message to FieroseverywhereDirect Link to This Post
Ha! You crack me up Tim. I'd be embarrassed to say how long it took me to notice that the first time out. If it hadn't been a couple years since I did the wiring I might have even remembered.

EDIT: Hey. Are you going to the Arlington Picnic this year? I think my 4.9 is finally working well wnough to make it. After 10 years playing with these little cars maybe its time I made it to at least one show.

https://www.fiero.nl/forum/Forum1/HTML/080257.html

[This message has been edited by Fieroseverywhere (edited 04-16-2010).]

IP: Logged
Mickey_Moose
Member
Posts: 7582
From: Edmonton, AB, Canada
Registered: May 2001


Feedback score: (3)
Leave feedback





Total ratings: 144
Rate this member

Report this Post04-16-2010 01:23 PM Click Here to See the Profile for Mickey_MooseSend a Private Message to Mickey_MooseDirect Link to This Post
 
quote
Originally posted by Fieroseverywhere:
EDIT: Hey. Are you going to the Arlington Picnic this year? I think my 4.9 is finally working well wnough to make it. After 10 years playing with these little cars maybe its time I made it to at least one show.

https://www.fiero.nl/forum/Forum1/HTML/080257.html



Thought about going, but it is a 2 day drive for me and the wife recently changed jobs so her vaction time this year is all messed up and it will be a bit tough to get the needed time off to make the trip.
IP: Logged



All times are ET (US)

T H I S   I S   A N   A R C H I V E D   T O P I C
  

Contact Us | Back To Main Page

Advertizing on PFF | Fiero Parts Vendors
PFF Merchandise | Fiero Gallery
Real-Time Chat | Fiero Related Auctions on eBay



Copyright (c) 1999, C. Pennock