Pennock's Fiero Forum
  Technical Discussion & Questions - Archive
  Center console light-- dim why

T H I S   I S   A N   A R C H I V E D   T O P I C
  

Email This Page to Someone! | Printable Version


Center console light-- dim why by mickeyswing52
Started on: 11-20-2008 09:03 PM
Replies: 13
Last post by: mickeyswing52 on 11-26-2008 10:49 PM
mickeyswing52
Member
Posts: 297
From: sturgeon bay ,wis usa
Registered: Jan 2006


Feedback score: N/A
Leave feedback

Rate this member

Report this Post11-20-2008 09:03 PM Click Here to See the Profile for mickeyswing52Send a Private Message to mickeyswing52Direct Link to This Post
I have a 86 v6 automatic and the gear indicator light in the console is very dim.The two ashtray lights are bright. Put the bulb from the gear indicator into the ashtray socket and it is bright. But put it in the gear indicator and it is very dim. Checked the voltage at the two wires that go into the back of the two ashtray light holders it`s 12 volt and the gear indicator is only 2.6 volts. Why isn`t it 12v. What can I do to fix it . Thanks Lynn
IP: Logged
PFF
System Bot
Dodgerunner
Member
Posts: 9687
From: Lincoln, Nebraska
Registered: Sep 2004


Feedback score:    (61)
Leave feedback





Total ratings: 323
Rate this member

Report this Post11-20-2008 09:13 PM Click Here to See the Profile for DodgerunnerClick Here to visit Dodgerunner's HomePageSend a Private Message to DodgerunnerDirect Link to This Post
Check you r BAT fuse.
Then with your meter check both sides of the shift lamp socket to ground with the lights on and lamp out. One side should read 12V the other side should be a ground.
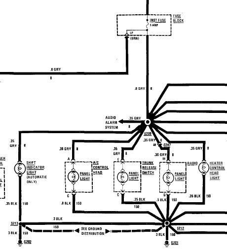
Then put the lamp in and check both sides again. My guess is you will find +12 on one side that some other voltage on the other side. That would indicate a bad ground on that lamp. It has a separate ground from the other lamps according to the drawings.

[This message has been edited by Dodgerunner (edited 11-20-2008).]

IP: Logged
mickeyswing52
Member
Posts: 297
From: sturgeon bay ,wis usa
Registered: Jan 2006


Feedback score: N/A
Leave feedback

Rate this member

Report this Post11-20-2008 09:17 PM Click Here to See the Profile for mickeyswing52Send a Private Message to mickeyswing52Direct Link to This Post
All the other lights on the car work fine its just the gear indicator that is dim.
IP: Logged
Dodgerunner
Member
Posts: 9687
From: Lincoln, Nebraska
Registered: Sep 2004


Feedback score:    (61)
Leave feedback





Total ratings: 323
Rate this member

Report this Post11-20-2008 09:18 PM Click Here to See the Profile for DodgerunnerClick Here to visit Dodgerunner's HomePageSend a Private Message to DodgerunnerDirect Link to This Post
I was not done...
IP: Logged
mickeyswing52
Member
Posts: 297
From: sturgeon bay ,wis usa
Registered: Jan 2006


Feedback score: N/A
Leave feedback

Rate this member

Report this Post11-22-2008 08:51 PM Click Here to See the Profile for mickeyswing52Send a Private Message to mickeyswing52Direct Link to This Post
Thanks for the info Dodgerunner. I just checked the lights like you said and there is only 2.9 volts on one wire and nothing on the other. The only time there is power to the gear indicator light is when the key is on. Is there something else that I should check. Any ideas. Thanks Lynn
IP: Logged
Dodgerunner
Member
Posts: 9687
From: Lincoln, Nebraska
Registered: Sep 2004


Feedback score:    (61)
Leave feedback





Total ratings: 323
Rate this member

Report this Post11-22-2008 09:13 PM Click Here to See the Profile for DodgerunnerClick Here to visit Dodgerunner's HomePageSend a Private Message to DodgerunnerDirect Link to This Post
According to the 86 manual the shift light runs off the same power as the dash and other lights.
If you only have 2.6 volts with the blub out there is something up. Has the wiring been messed with? Would almost seem so.

[This message has been edited by Dodgerunner (edited 11-22-2008).]

IP: Logged
mickeyswing52
Member
Posts: 297
From: sturgeon bay ,wis usa
Registered: Jan 2006


Feedback score: N/A
Leave feedback

Rate this member

Report this Post11-22-2008 09:31 PM Click Here to See the Profile for mickeyswing52Send a Private Message to mickeyswing52Direct Link to This Post
Don`t think the wiring has been changed. I`am very poor at reading electrical schematics. The light should only come on if the switch is on. Should I pull the center console apart more to check the wiring.
With the bulb out or in the voltage is the same.
IP: Logged
Dodgerunner
Member
Posts: 9687
From: Lincoln, Nebraska
Registered: Sep 2004


Feedback score:    (61)
Leave feedback





Total ratings: 323
Rate this member

Report this Post11-22-2008 10:31 PM Click Here to See the Profile for DodgerunnerClick Here to visit Dodgerunner's HomePageSend a Private Message to DodgerunnerDirect Link to This Post
Well according to the drawing it should be getting the same power all the other dash lights get off the dash dimmer control.
What voltage do you measure on the cig. lighter light. it should be the same also. if it's higher than there must be a wiring difference or something has been added that was not stock.

[This message has been edited by Dodgerunner (edited 11-22-2008).]

IP: Logged
bjc 350
Member
Posts: 969
From: Astoria
Registered: Oct 2005


Feedback score: (1)
Leave feedback

Rate this member

Report this Post11-23-2008 12:16 AM Click Here to See the Profile for bjc 350Send a Private Message to bjc 350Direct Link to This Post
I have exactly the same problem on my "85 GT project. All three bulbs were burned out, so I replaced them yesterday. The shift indicator bulb is much more dim than the ashtray bulbs. It does get slightly brighter if I turn up the dash light reostat. I haven't had time to check further. I thought I would be the only one with this problem. This car does have a defunkt Clifford alarm. I'm afraid to remove it since it is spliced into the wiring in many places, yet everything else works correctly.
IP: Logged
mickeyswing52
Member
Posts: 297
From: sturgeon bay ,wis usa
Registered: Jan 2006


Feedback score: N/A
Leave feedback

Rate this member

Report this Post11-25-2008 09:32 PM Click Here to See the Profile for mickeyswing52Send a Private Message to mickeyswing52Direct Link to This Post
I had time tonight to check some more on the wiring in the console. The cig. lighter light has 12v. The gear shift wires are gray and black. The gray shows 2.9v and the black is 0 v. The wiring does not look like it was changed. The gray wire goes into a harness that goes up to the dash by the radio. I ran a ground to the shift light direct from the battery and the light still is dim volts still at 2.9. Being that the gear indicator light come on when the ignition switch is turned on can I just cut the gray wire by the light , put on a wire nut to cap the hot side off and the pick up power from the power window switch. so that there is 12v to the light when the switch is on. What do you think.
IP: Logged
Dodgerunner
Member
Posts: 9687
From: Lincoln, Nebraska
Registered: Sep 2004


Feedback score:    (61)
Leave feedback





Total ratings: 323
Rate this member

Report this Post11-25-2008 09:37 PM Click Here to See the Profile for DodgerunnerClick Here to visit Dodgerunner's HomePageSend a Private Message to DodgerunnerDirect Link to This Post
Sure, or you could just wire it in with the cig lighter lamp also. But if you tie it right to +12 it will not dim anymore.
There are gray light wires around the radio and heat control that you could also tie into.

[This message has been edited by Dodgerunner (edited 11-25-2008).]

IP: Logged
PFF
System Bot
mickeyswing52
Member
Posts: 297
From: sturgeon bay ,wis usa
Registered: Jan 2006


Feedback score: N/A
Leave feedback

Rate this member

Report this Post11-26-2008 10:19 PM Click Here to See the Profile for mickeyswing52Send a Private Message to mickeyswing52Direct Link to This Post
Today I got my gear indicator light to be bright. I turned on my key and the headlights and most of the gauge cluster lights were working. I tried the dimmer switch and it only worked to turn on the overhead lights. I did a word search for NEED HELP WITH GAUGE LIGHTS. They talk about the dimmer switch transistor. Part way down the post DODGERUNNER give to links that were very helpful. So I pulled the resistor and cleaned it and put it back together and soldered the 2 pins on the transistor and then put it back in the car and the the gear indicator was bright. Then tried the dimmer and it would be bright or dim but nothing in between . So I pulled the dimmer switch apart and cleaned it. Put it back in the car and now all lights work and the dimmer work from very dim to full bright. Thanks for all your help Dodgerunner Lynn
IP: Logged
Dodgerunner
Member
Posts: 9687
From: Lincoln, Nebraska
Registered: Sep 2004


Feedback score:    (61)
Leave feedback





Total ratings: 323
Rate this member

Report this Post11-26-2008 10:34 PM Click Here to See the Profile for DodgerunnerClick Here to visit Dodgerunner's HomePageSend a Private Message to DodgerunnerDirect Link to This Post
Wow! great job.. don't you love it when you get something like that fixed. Makes you want to do a happy dance around the car..
IP: Logged
mickeyswing52
Member
Posts: 297
From: sturgeon bay ,wis usa
Registered: Jan 2006


Feedback score: N/A
Leave feedback

Rate this member

Report this Post11-26-2008 10:49 PM Click Here to See the Profile for mickeyswing52Send a Private Message to mickeyswing52Direct Link to This Post
Sure does and it makes you want to keep working on the other little thing so you can take your car out for a long drive. After 2 years of being in the garage as a no runner,installed a different motor, Phils upgrade to the brakeboost completely redone [WOW] new stainless hard lines, rotors, rust in the trunk fix, underbody recoated larger fuel tank. It`s now time to get it ready for paint. Then the dancing really begins. Happy Thanksgiving to all on Pennock`s
IP: Logged



All times are ET (US)

T H I S   I S   A N   A R C H I V E D   T O P I C
  

Contact Us | Back To Main Page

Advertizing on PFF | Fiero Parts Vendors
PFF Merchandise | Fiero Gallery
Real-Time Chat | Fiero Related Auctions on eBay



Copyright (c) 1999, C. Pennock