sspeedstreet,
I don't have the magic photo of the connection between the cables in the cradle. Let me give you what I have and try to describe. Please ignore the messy garage. Trying to do a rebuild in a single bay stinks!
Just so we are clear which cable is which. In case you took the caliper mounting brackets off pay close attention to the orientation of the brackets in the pics
.JPG)
Here is how the drivers cable enters the cradle. Note the hole in the cradle that the outer cable end clips in to
.JPG)
The passenger side similarly has a hole the out cable end clips to
.JPG)
This is how the driver side cable leads from the caliper in to the cradle frame
.JPG)
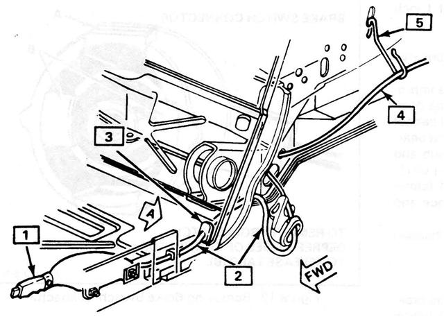
From the manual. Here is the flow of the e brake cable from the handle
.jpg)
From the manual. Here is the connection. I wish I had a photo.
.jpg)
[This message has been edited by sjmaye (edited 08-30-2008).]