

 |
| Yellow Wire Mystery (Page 1/1) |
|
Derekw66
|
DEC 24, 01:31 PM
|
|
Guys, I'm stuck trying to find a home for a yellow wire in the engine bay on my 84 2.5. I believe it's the high speed a/c wire thats tied into the a/c somewhere but it was cut off about a foot from wherever it went. It is wired into the cooling fan temp switch on the front of the head, but as far as I can tell, there is only the compressor on/off green wire going to the compressor. Looks like 84 didn't have low or high speed shut-off lines wired in. That leaves me with a yellow line with nowhere to go. of note, even when I didn't have a compressor and just some cut ends remaining, the a/c button on the dash would still turn on the cooling fan. Anyone have any ideas? The shop manuals are strangely sparse for 84.
|
|
|
PhatMax
|
DEC 24, 01:57 PM
|
|
Hope this helps….only yellow wire I see is for the coolant temp sensor
|
|
|
Derekw66
|
DEC 26, 02:39 PM
|
|
|
What year is that schematic for? Doesn’t look like any of mine.
|
|
|
theogre
|
DEC 26, 05:55 PM
|
|
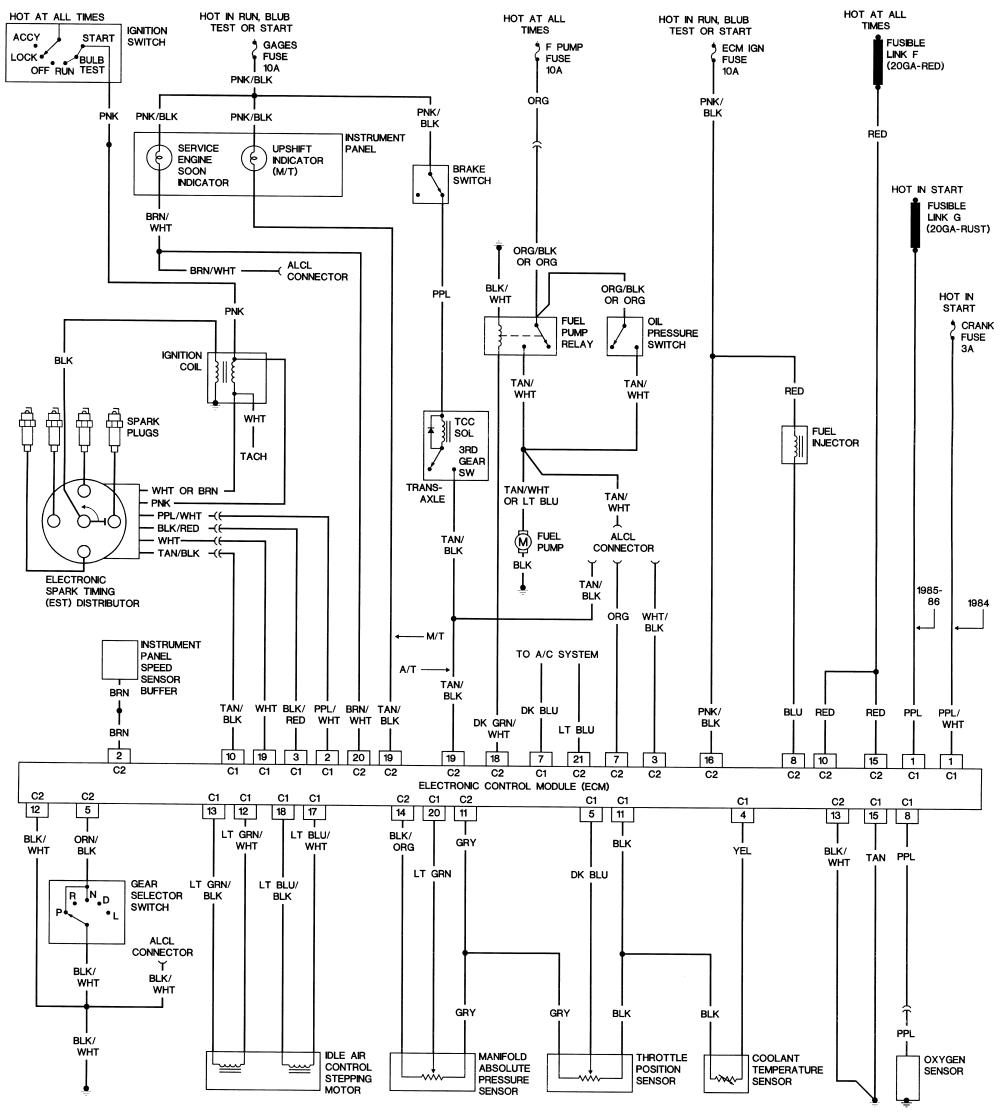
84 2 speed rad fan for AC cars,
 | | CLICK FOR FULL SIZE |
Switch lives(lived) on back of compressor to run fan at high speed. No switch likely = some fool replaced the compressor w/o a clue how to wire.------------------ Dr. Ian Malcolm: Yeah, but your scientists were so preoccupied with whether or not they could, they didn't stop to think if they should. (Jurassic Park)
The Ogre's Fiero Cave
|
|
|
PhatMax
|
DEC 26, 05:59 PM
|
|
|
I believe I just searched for 84 2.5 engine wiring schematic
|
|
|
Derekw66
|
JAN 02, 07:19 AM
|
|
|
Thank you Ogre, very much appreciated. This may be the missing schematic I needed.
|
|

 |
|