Orange wire at radio no power (Page 1/1)
87fiero2017 JUL 07, 04:26 PM
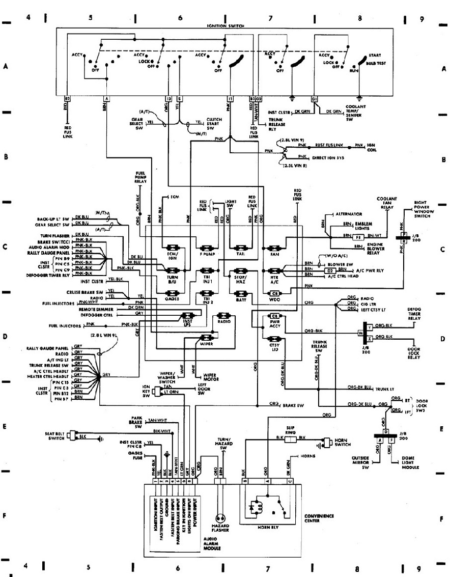
So I'm trying to get my pioneer radio to work but got no power at orange wire. I got switched power. Where can I back trace the orange wire to where it goes
Gall757 JUL 07, 05:03 PM

quote
Originally posted by 87fiero2017:

So I'm trying to get my pioneer radio to work but got no power at orange wire. I got switched power. Where can I back trace the orange wire to where it goes



It goes to the BATT fuse.

[This message has been edited by Gall757 (edited 07-08-2020).]

87fiero2017 JUL 07, 05:51 PM
I've got power one second then nothing. You mean that empty spot in fuse panel?
87fiero2017 JUL 07, 05:55 PM
Oh and my boost guage isn't properly lightening up either . it was working then I was trying to get the radio to work and it went off
87fiero2017 JUL 07, 06:13 PM
Ok. So I found 2 fuses I guess has to do with radio.and the 20amp fuse was popped...so now on to why I got no sound coming from speakers...cars for a hobby sometimes I wanna ask why lol