
 |
| 88 GT Heater Fuse Blown (Page 3/4) |
|
Pyrostatic
|
OCT 01, 03:12 PM
|
|
Ok, finally got some time to look at this sucker.
| quote | Originally posted by theogre: "best" is pull off ac/radio trim to access the control head to pull the plug on blower speed switch. Just pull that plug and still popping fuse then ISN'T a blower problem.
|
|
I disconnected the blower speed switch. I put the car in accessory position with a new fuse, and the heater controls off. Again, when I clicked the heater on, the fuse instantly went.
|
|
|
Pyrostatic
|
OCT 01, 03:25 PM
|
|
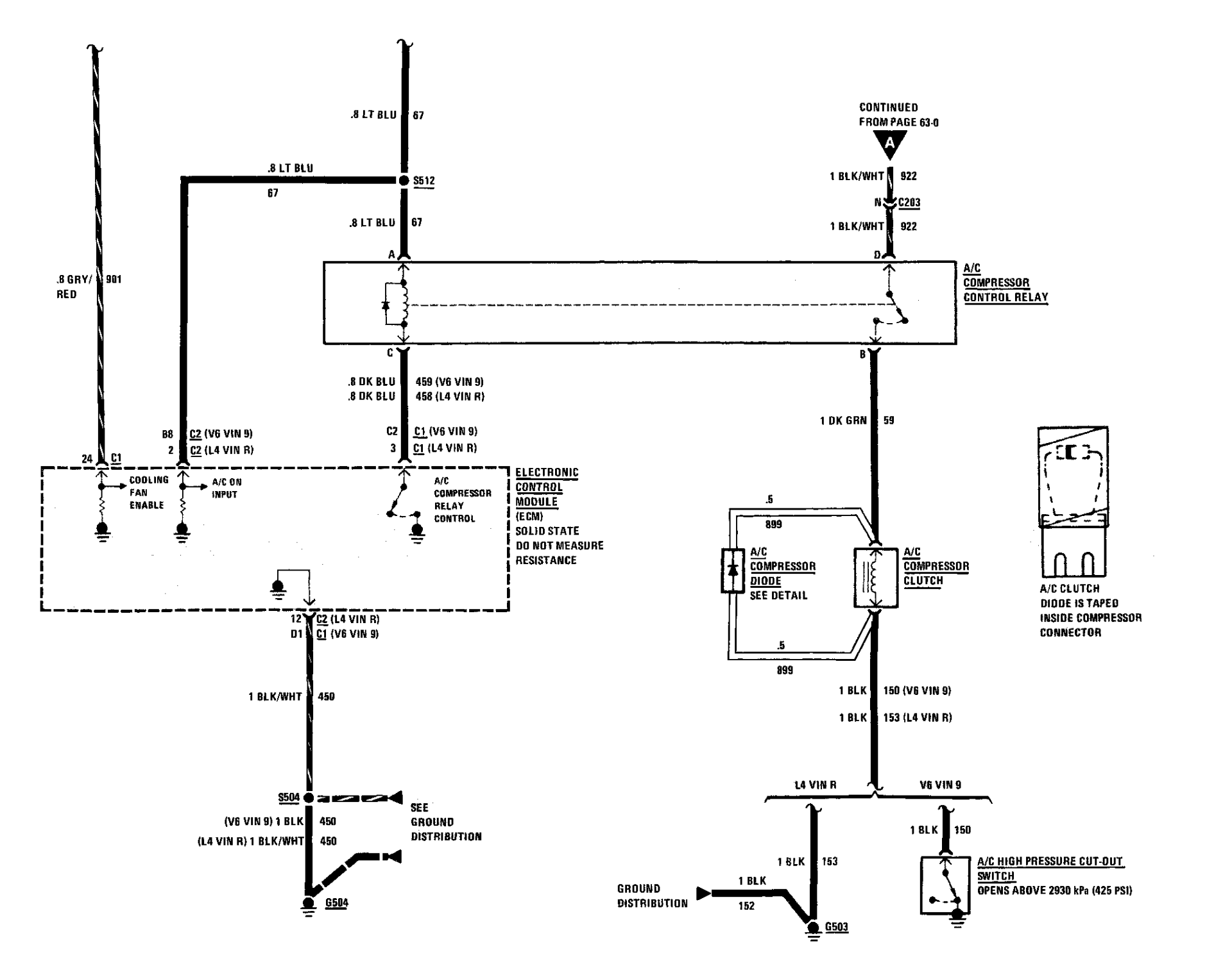
| quote | Originally posted by buddycraigg: Pyrostatic I do not remember a relay called "AC power relay" Look at the picture that IMSA GT posted. The relay with the yellow arrow going to it. Does it have brown, brown, pink, black wires going to it? |
|
It looks like 3 brown and 1 pink, but one could be black.
|
|
|
Pyrostatic
|
OCT 01, 03:35 PM
|
|
| quote | Originally posted by buddycraigg:
I want to see if the fuse still blows with the AC power relay is disconnected. I want to rule out a short in the AC compressor control circuit.
I don't think it is a problem with the blower motor, cause the fusable link would have blown. You can disconnect the purple wire going to the blower as a test if you want. |
|
I tried a new fuse with the AC power relay disconnected (the yellow marked relay in the picture). The fuse did not blow, I could toggle between vent, heater and defrost and hear the changes whirring. Of course no air comes through...
Thanks Buddy, I wish I was smart enough to know what to do next.
|
|
|
buddycraigg
|
OCT 01, 08:01 PM
|
|
| quote | Originally posted by Pyrostatic: The reason I ask is, I had an exhaust leak in the Y of the exhaust. It ended up melting a bunch of wires, especially the ones going to the "A/C Compressor Control Relay" |
|
I believe you should look into those wires.
 [This message has been edited by buddycraigg (edited 10-01-2021).]
|
|
|
theogre
|
OCT 01, 09:31 PM
|
|
"other part" of blk/wht just goes thru console to AC clutch relay in rear of car... C203 is in console rear w/ other some engine wires.

leave speed switch pulled pull clutch relay next. No blow? reconnect clutch relay and unplug AC clutch.
Clutch Relay bad and/or wires could still be cooked from exhaust leak at or anywhere behind bulkhead bushing on fire or clutch coil itself is bad and took the relay w/ it.
Clutch Relay contact should open when unplug, AC Off or Key Off but bad clutch coil etc can weld that closed.
|
|
|
Pyrostatic
|
OCT 02, 02:23 PM
|
|
| quote | Originally posted by theogre:
leave speed switch pulled pull clutch relay next. No blow? reconnect clutch relay and unplug AC clutch.
Clutch Relay bad and/or wires could still be cooked from exhaust leak at or anywhere behind bulkhead bushing on fire or clutch coil itself is bad and took the relay w/ it.
Clutch Relay contact should open when unplug, AC Off or Key Off but bad clutch coil etc can weld that closed. |
|
Thanks Buddy and Ogre.
I haven't had the "A/C Compressor Control Relay" hooked up in months... I didn't repair the wires going to it.
Can I just take that black/ white wire and ground it? instead of hooking the relay back up? I just want heat and defrost.
Thank-you.
|
|
|
Rexgirl
|
OCT 02, 03:46 PM
|
|
Do NOT ground the black/white wire. If your "A/C Compressor Control Relay" has not been hooked up, then the short is not in your A"C compressor clutch.
|
|
|
theogre
|
OCT 03, 02:56 AM
|
|
| quote | Originally posted by Rexgirl: ⚠️ Warning: Do NOT ground the black/white wire. If your "A/C Compressor Control Relay" has not been hooked up, then the short is not in your A"C compressor clutch. |
|
Warning added... because Ground that Will Blow a Fuse.
Buy the short finder kit at minimum as posted above should quickly find blk/wht shorted out somewhere. if not burn in rear, take out console then check there. May have pinch the hardness or put a screw thru it causing this too.
Don't leave the "blinker" w/ power on while removing whatever to follow the harness. They, blinker and wiring, can get very warm to hot if have power on.
Pop C203 will isolate the short more...
If pulling C203 and still blow fuse... Last is Could pull C100 but can't use car power to trace a shorted wire same way. Only small section from the fuse is connected now But can test AC power relay wires, brn and pnk, doesn't shorted out w/ test light and +12v. "Last" because C100 like C500 has a captive bolt to pull the connector apart and very awkward to reach under the dash. W/ C100 unplugged the relay wires should not light a test lamp connected to +12v or should read OL w/ digital Ω meter connected to ground.[This message has been edited by theogre (edited 10-03-2021).]
|
|
|
Pyrostatic
|
OCT 03, 04:50 PM
|
|
Hello Again,
You guys got it! That black and white wire was the problem, it was grounding. I fixed that and put the relay back on in the front. Heater and defrost work again now!
Thanks so much for figuring out what the problem was guys! You guys are awesome!
|
|
|
buddycraigg
|
OCT 08, 08:29 PM
|
|
|
I am glad to have been of help. I am sure ogre feels the same.
|
|

 |