

 |
| Rescuing my dads old Fiero GT 1987 (Page 20/23) |
|
tshark
|
AUG 18, 05:52 AM
|
|
|
|
olejoedad
|
AUG 18, 08:52 AM
|
|
Corrosion in the pins and sockets at the distributor. Disassemble and carefully clean the pickup coil contacts and the external ICM contacts.
|
|
|
Repulsiv
|
AUG 18, 12:36 PM
|
|
I have a brand new ICM and a brand new pickup coil, could be the connector but I have tried to clean it.
Anyway.. today its been a Fiero day again.
First I cleaned connectors (again), now also the MAP sensor and a few others I found, I also removed the ECM and cleaned the connectors there, but those had no oxide at all.
Then I changed the fuel filter, pretty messy even if I removed the fuel pump fuse first and started the car to drain so much fuel I could..
Anyway, new fuel filter in its place, but still same problem.
Now I decided to check the ignition, I removed the distributor before so its always good, I shorted A-B and used a timing light, it was not 10 degrees, more 13, so I set it as close as I could to 10.
I also readed error codes, none stored (except 12 ofcourse).
Actually the car seem to start easier now, not directly but after a few seconds usally.
Now the main problem is that it misfire heavily when I push the pedal.. if I push it slooowly it works fine, no misfires at all.. same if I keep it still.. but if I floor it the engine nearly stop, it misfires, bangs and goes reeally bad.. until it reached the right rpm, then it goes fine again..
I really dont know what it can be.. TPS ? doesnt sound like that ? MAP-sensor ? maybe.. but its strange behaviour if its failed ? it should also set error code ?
I also spent a lot of time at looking for bad vaccum hoses/lines.. didnt find any.
I also tested the EGR, not that I thought it would create this problem, but just to know its ok, it was.
As I said before it feels like its a problem with ignition advance, but I cannot see how it would happen.
Any ideas ?
|
|
|
tshark
|
AUG 18, 02:06 PM
|
|
I wonder if the balancer is off, but yes, seems like timing, or the plugs.
Are all the pins on the ICM connector OK? None are pushed in or anything? Someone broke down at least 3 times, as a result of this.
|
|
|
tshark
|
AUG 18, 02:11 PM
|
|
| quote | Originally posted by Patrick: Is there a 2.8 upper intake manifold that doesn't have that?
|
|
MANY. At the 35th, I did see a few that had that. None of mine had that.
|
|
|
Rexgirl
|
AUG 18, 05:31 PM
|
|
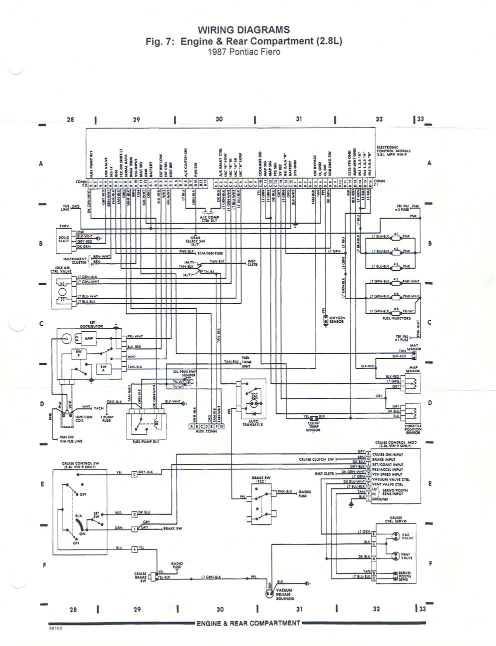
Could be a weak spark?
Here is a 1987 engine wiring diagram found on this Forum-
|
|
|
Rexgirl
|
AUG 18, 05:49 PM
|
|
The ICM alone controls the ignition during starting, and you see it's operation because it sends a signal to the tachometer. The ICM, it's related wiring, and it's grounding are suspect if the tach does not show a reading. After the engine fires, the ICM 'hands off' the ignition's timing to the ECM (through ICM switch "A", I think).
|
|
|
Repulsiv
|
MAR 27, 07:11 AM
|
|
After not being able to fix everything last summer I just let the car stand there all the winter, but now spreing is coming and I want to get it running again.
I have spent some time talking to people, and googling, and right now I suspect that the misfires is not caused by the ignition, but the fuel, I suspect that for several reasons but mainly that I changed most of the ignition system, and that I have found a few threads with people having similar problem that was caused by bad fuel delivery.
Some guy had a fiero that had been standing 6(?) years and worked fine first, but then after a while got the same problem as me, he swapped a lot of things including everything about the ignition, but no success. Finally he took down the fuel tank and found a fuel strainer that was completly clogged up, cleaned the tank, swapped both the strainer and the pump and then everything went fine.
Now I really suspect that this is my problem too, especially the strainer.
What do you guys think ? is it worth the troubles to take the tank down ?
If I do, I sure buy a new strainer first since its cheap, but should I swap the pump too ?
I really would like to measure the fuel pressure first, but I havent found any fuel pressure meter in sweden that is compatible with this "chevy MPI" fuel rail connector (that someone said it was)
Would this from rock auto work ?
https://www.rockauto.com/en...einfo.php?pk=3616809
Any other that is better and/or cheaper that I could buy instead ? where ?
A guy at work is going on a trip to USA and promise he could take one home for me if I just can find out what I need..
..Or does anyone have any other ideas ?
The car starts and I can drive it, I just cannot accelerate very good, it misfires heavily if I push the pedal too fast.
|
|
|
Easy8
|
MAR 27, 02:03 PM
|
|
You can test for a blocked screen or bad fuel pump with a pressure gauge. Put one in the rail and run the car and watch the pressure. If the pump is bad or the screen is blocked you will see a drop in pressure when you open the throttle. Now if you decide to drop the tank for any reason change everything in it if you can afford to. It is a pain to drop the tank and put it back in. Might as well fix everything (do not forget the fuel gauge sending unit as well) that way you only have to drop it once.
A side note, if you have good fuel pressure the whole time it's time to look at your injectors, if you have not already.
|
|
|
Rexgirl
|
MAR 27, 07:43 PM
|
|
The Rockauto link you have posted is for a cylinder compression tester, and will not work for fuel injection testing. It only has adapters for both common spark plug thread sizes.
My fuel injection rail Schrader Valve cap internal (female) measurement is 0.387 inches at the thread tops, so the actual size will be larger. If GM used the same valve threads in their fuel injected 4.3 litre engine (good chance) , then our (male) Schrader threads are -4 AN threads (7/16" - 20 SAE) by my online research.
It seems like female AN size adapters could be available in Europe. You can also search online for a " Fuel Injection Pump Injector Tester Pressure Gauge " that can read to 50 psi or higher, or your friend can ask to purchase a F. I. pressure tester set with Fiero/GM adapters at an American auto parts store.
|
|

 |
|